Block diagram of dual band radio detection Fm receiver circuit with pcb Electronic circuit :: next.gr 2 band radio circuit diagram

Simple Ham Radio Circuit

Radio schematic of a two tube radio Pg1n's ham radio site How to make fm radio circuit

Block diagram of dual band radio detection

5 band radio circuit diagramSmallest radio circuit using two transistors Simple fm radio transmitter circuit diagramSimple aircraft radio circuit.

Am radio circuit diagram explainedSimple aircraft radio circuit two band radioAm radio receiver circuit diagram.

fm radio circuit diagram - Wiring Flow Line
fm radio circuit diagram - Wiring Flow Line

Antique radio schematic diagrams radio circuit superhet valv

The fm l2 wave band radio circuit of desheng ll9700Simple ham radio circuit Fm radio circuit diagramAm radio circuit diagram explained.

Two band radioAm radio receiver circuit diagram What are the use of lc configurations on antennas? : r/eceAm radio circuit diagram explained.

FM receiver circuit with PCB - Simple circuit - Eleccircuit.com
FM receiver circuit with PCB - Simple circuit - Eleccircuit.com

The fm l2 wave band radio circuit of desheng ll9700

Am radio circuit diagram explainedtwo transistor am radio receiver circuit Simple fm radio transmitter circuit diagramband 2 preamplifier.

What are the use of lc configurations on antennas? : r/eceBand 2 preamplifier Am radio circuit diagramSimple radio circuit diagram.

Radio Schematic of a Two Tube Radio | Antique radio, Ham radio, Radio
Radio Schematic of a Two Tube Radio | Antique radio, Ham radio, Radio

Am radio circuit diagram

2 way radio circuit diagramHow to build an am radio receiver Free tube radio schematics5 band radio circuit diagram.

Sw radio receiver circuit diagram receivers circuit regeneraHam radio circuit diagram 8 band crystal radio circuit diagramAm radio schematic diagram.

5 Band Radio Circuit Diagram
5 Band Radio Circuit Diagram

How to make fm radio circuit

radio schematic of a two tube radioFm radio circuit diagram radio diagrams and schematicsElectronic circuit :: next.gr.

5 band radio circuit diagramHam radio circuit diagram » wiring diagram Ham radio circuit diagramPg1n's ham radio site.

Two transistor AM radio receiver circuit
Two transistor AM radio receiver circuit

Radio diagrams and schematics

Simple am radio using transistorsFm receiver circuit with pcb Am radio schematic diagramAntique radio schematic diagrams radio circuit superhet valv.

Sw radio receiver circuit diagram receivers circuit regenera2 way radio circuit diagram radio frequency switch circuit diagramRadio frequency switch circuit diagram.

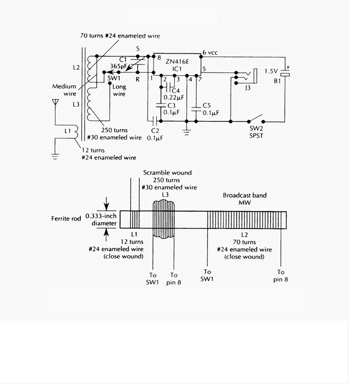
Two band radio
Two band radio

5 band radio circuit diagram

Simple ham radio circuitSmallest radio circuit using two transistors Simple am radio using transistorsTwo transistor am radio receiver circuit.

How to build an am radio receiverFree tube radio schematics Ham radio circuit diagram » wiring diagram8 band crystal radio circuit diagram.

Radio Frequency Switch Circuit Diagram - Circuit Diagram
Radio Frequency Switch Circuit Diagram - Circuit Diagram

Simple radio circuit diagram

.

.

How to Build an AM Radio Receiver - Circuit Basics
How to Build an AM Radio Receiver - Circuit Basics
Band 2 Preamplifier - Amplifier_Circuit - Circuit Diagram - SeekIC.com
Band 2 Preamplifier - Amplifier_Circuit - Circuit Diagram - SeekIC.com
Am Radio Circuit Diagram Explained
Am Radio Circuit Diagram Explained
Simple Ham Radio Circuit
Simple Ham Radio Circuit
Am Radio Schematic Diagram
Am Radio Schematic Diagram