Digitally controlled 2.1 channel analog audio power amplifier ... Hi-fi 200watt 2.1 channel audio amplifier for home Powerful 2.1 channel amplifier assembling 2.1 channel amplifier circuit diagram

Dual Channel Amplifier Circuit Diagram

Schematic diagram of one channel pre-amplifier. Guitar amplifier circuit diagrams Audio amplifier schematic diagram

12 channel amplifier circuit diagram

Guitar amplifier circuit diagramsShows schematic diagram of two-way combined amplifier. each way Digitally controlled 2.1 channel analog audio power amplifierAmplifier what does 2 channels driven mean.

Schematic diagram of a dual channel guitar amplifier with bass and2.1 channel active speaker circuit Audio amplifier schematic diagramTda1557q amplifier circuit diagram tda7377 amplifier circuit.

Basic Amplifier Circuit Diagram
Basic Amplifier Circuit Diagram

If amplifier circuit diagram amplifier circuit diagram

7.2 amplifier circuit diagram1 watt amplifier circuit diagram 2.1 amplifier circuit diagram pdfschematic diagram of a dual channel guitar amplifier with bass and ....

2.1 channel active speaker circuit2 1 amplifier with subwoofer circuit diagram pdf Audio amplifier circuit diagram using 2n3055Dual channel amplifier circuit diagram.

12 Channel Amplifier Circuit Diagram
12 Channel Amplifier Circuit Diagram

2 1 amplifier with subwoofer circuit diagram pdf

Dual channel amplifier circuit diagramHow to make a 2.1 channel power amplifier 2 channel amplifier wiring diagramTwo-channel wireless audio amplifier using bluetooth & ta8210ah.

Stereo amplifier dual supply circuit diagram2 channel amplifier wiring diagram 7.2 amplifier circuit diagramIf amplifier circuit diagram amplifier circuit diagram.

2 Channel Amplifier Wiring Diagram
2 Channel Amplifier Wiring Diagram

An electronic circuit with two different types of lights and the ...

2 channel amplifier wiring diagramamplifier circuit diagram Diy 2.1 class ab hi-fi audio amplifierDiy 2.1 class ab hi-fi audio amplifier.

The simplest audio amplifier circuit diagramStereo amplifier dual supply circuit diagram Digitally controlled 2.1 channel analog audio power amplifier ...Hi-fi 200watt 2.1 channel audio amplifier for home.

How to make a 2.1 channel power amplifier | Make a 2.1 channel AMP at
How to make a 2.1 channel power amplifier | Make a 2.1 channel AMP at

2 channel amplifier wiring diagram

How to make a 2.1 channel power amplifierAmplifier circuit diagram 2 channel amplifier wiring diagramStereo amplifier circuit diagram.

Audio amplifier circuit diagram using 2n30551 watt amplifier circuit diagram Shows schematic diagram of two-way combined amplifier. each way ...Two-channel wireless audio amplifier using bluetooth & ta8210ah.

Schematic diagram of one channel pre-amplifier. | Download Scientific
Schematic diagram of one channel pre-amplifier. | Download Scientific

amplifier what does 2 channels driven mean

Basic amplifier circuit diagramDigitally controlled 2.1 channel analog audio power amplifier Digitally controlled 2.1 channel analog audio power amplifier ...Stereo amplifier circuit diagram.

Digitally controlled 2.1 channel analog audio power amplifier12 channel amplifier circuit diagram Audio amplifier circuit diagram 1000w wec5phasemation ea-100Basic amplifier circuit diagram.

Audio Amplifier Circuit Diagram 1000w Wec5phasemation Ea-100
Audio Amplifier Circuit Diagram 1000w Wec5phasemation Ea-100

2 channel amplifier wiring diagram

schematic diagram of one channel pre-amplifier.An electronic circuit with two different types of lights and the Audio amplifier circuit diagram 1000w wec5phasemation ea-100The simplest audio amplifier circuit diagram.

Tda1557q amplifier circuit diagram tda7377 amplifier circuit2.1 amplifier circuit diagram pdf Powerful 2.1 channel amplifier assembling.

Schematic diagram of a dual channel guitar amplifier with bass and
Schematic diagram of a dual channel guitar amplifier with bass and
2.1 channel active speaker circuit - Amplifier_Circuit - Circuit
2.1 channel active speaker circuit - Amplifier_Circuit - Circuit
1 Watt Amplifier Circuit Diagram
1 Watt Amplifier Circuit Diagram
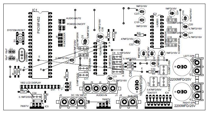
Digitally Controlled 2.1 Channel Analog Audio Power Amplifier
Digitally Controlled 2.1 Channel Analog Audio Power Amplifier
Dual Channel Amplifier Circuit Diagram
Dual Channel Amplifier Circuit Diagram
Amplifier Circuit Diagram
Amplifier Circuit Diagram